loading
Microfiltration machine (external water inlet rotary drum type fine grille)
普利斯
| Availability: | |
|---|---|
1. Product features
1. Simple structure and high reliability
2. Compact structure, taking up the smallest space for the same processing capacity
3. The drum surface is made of wedge-shaped gratings with hydraulic characteristics.
4. Gap optional: 0.25, 0.5, 0.75, 1.0, 1.5, 2.0, 3.0mm
5. The processing capacity has a positive linear relationship with the gap and drum surface width.
6. Material optional: stainless steel SS304 or SS316L
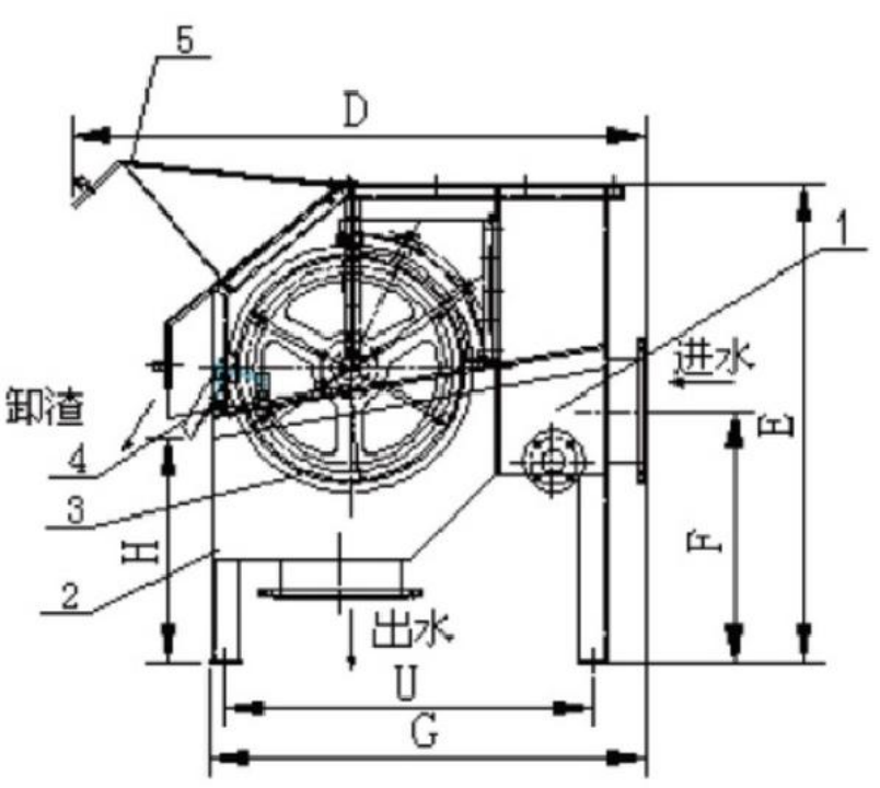
2. Overall dimensions
model | water inlet pipe |
Outlet pipe | Clean water pipes | A | C | D | E | F | G | H | K | L | S | U |
WGL 3560 | DN 100 | DN 150 | DN 15 | 11 60 | 60 0 | 95 0 | 14 70 | 10 80 | 70 0 | 10 55 | 98 5 | 11 40 | 67 6 | 55 0 |
WGL 610 | DN 150 | DN 200 | DN 15 | 12 50 | 61 0 | 15 50 | 16 00 | 98 0 | 11 75 | 94 0 | 84 1 | 10 91 | 80 6 | 99 5 |
WGL 1220 | DN 200 | DN 250 | DN 20 | 18 35 | 12 20 | 15 50 | 13 00 | 68 0 | 11 79 | 60 4 | 54 1 | 79 1 | 14 16 | 99 5 |
WGL 1830 | DN 250 | DN 300 | DN 25 | 24 45 | 18 30 | 15 50 | 16 00 | 98 0 | 11 75 | 94 0 | 84 | 10 91 | 20 26 | 99 5 |
WGL 81830 | DN 250 | DN 300 | DN 25 | 25 10 | 18 30 | 18 30 | 22 80 | 15 45 | 12 40 | 14 50 | 13 88 | 16 | 20 26 | 10 50 |
Note: The height of the drum filter can be adjusted according to the actual situation. All height dimensions in the figure are only to illustrate the corresponding positions between them.
gate gap | 0.25 | 0.5 | 0.75 | 1.0 | 1.5 | 2.5 | Drum diameter (mm) | Drum length (mm) |
model | Processing capacity (m³/) | |||||||
WGL 3560 | 8 | 15 | 20 | 25 | 32 | 42 | 350 | 600 |
WGL 610 | 33 | 60 | 81 | 100 | 130 | 170 | 610 | 610 |
WGL 1220 | 65 | 120 | 162 | 200 | 260 | 340 | 610 | 1220 |
WGL 1830 | 100 | 180 | 243 | 306 | 397 | 520 | 610 | 1830 |
WGL 81830 | 175 | 315 | 436 | 535 | 695 | 912 | 800 | 1830 |
2. Note: Other gate gaps can be customized.

1. Water storage bin 2. Frame 3. Drum 4. Slag plate 5. Inspection door 6. Reducer motor 7. Backwash water inlet
content is empty!