loading
DNT type belt type concentration and dehydration integrated machine
普利斯
| Availability: | |
|---|---|
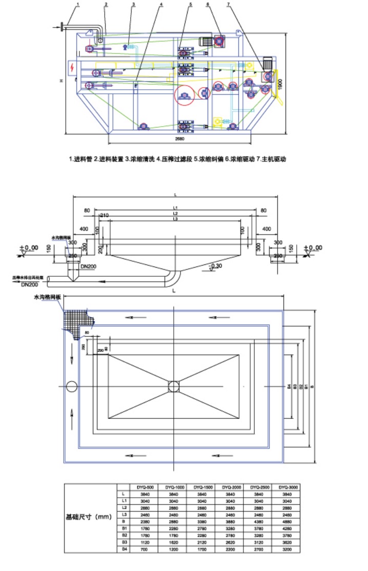
1. Main uses
The DNT type belt-type concentration and dehydration integrated machine is mainly used for the concentration and dehydration of residual sludge or mixed sludge from the biochemical treatment of urban sewage. It is an efficient dehydration equipment that forms sludge into mud cakes. It can be applied to sludge dehydration in various industries such as water supply and drainage, papermaking, casting, leather, textile, chemical industry, and food.
2. Working principle
The equipment is mainly composed of two parts: a belt thickener and a dehydrator. After adding coagulant, the sludge undergoes a full mixing reaction in the sludge mixer and then flows into the gravity dehydration section. Under the action of gravity, a large amount of free water in the sludge flows out from the gaps in the filter belt and enters the water collection tank. It is then guided through the wedge-shaped pre-pressure section, so that the sludge is gradually leveled and slightly squeezed for further dehydration, and then enters the S In the multi-roller pressing section, the sludge is sandwiched between the upper and lower filter cloths and pressed repeatedly by several rollers with different diameters. At this time, the sludge is sheared, which promotes further dehydration of the sludge and forms a mud cake. The mud cake is scraped off by a scraper and transported out, while the upper and lower filter belts are rinsed and reused.
3. Main technical parameters and installation dimensions table
model parameter | DNT-500 | DNT-1000 | DNT-1500 | DNT-2000 | DNT-2500 | DNT-3000 | |
Construction belt room degree B (mm | 500 | 1000 | 1500 | 2000 | 2500 | 3000 | |
Processing capacity Q(m³/h) | 5~10 | 10~20 | 20~30 | 30~40 | 40~60 | 60~80 | |
Overall dimensions (W×L×H) | 920×4490 ×1900 | 1420×5500x1900 | 1920×4490×1900 | 1920×5500×1900 | 2920×5500×1650 | 3420×5500×1650 | |
Filter belt running speed V(m/min) | 3.0~15 (concentration section) 1.2~6.0 (dehydration section) | ||||||
Concentrated motor power Nr(kw) | 0.55 | 0.55 | 0.75 | 1.1 | 1.5 | 1.5 | |
dehydration | Motor power Ne(kw) | 0.75 | 1.5 | 1.5 | 2.2 | 3.0 | 5.0 |
卸 | Material opening height h(mm) | 1600 | 1600 | 1600 | 1600 | 1600 | 1600 |
Rinse water | Water consumption (m²h) | 4.0 | 7.5 | 12.0 | 15.0 | 25.0 | 30.0 |
Water pressure(MPa) | >0.5 | ||||||
compressed air | Air consumption (m³h) | 0.3 | 0.3 | 0.4 | 0.4 | 0.4 | 0.4 |
Air pressure (MPa) | >0.7 | ||||||
remaining/mixed sludge | Feed moisture content (%) | 99.6/99.0 | |||||
Mud cake moisture content (%) | 80/78 | ||||||
Dry mud (Kgdsh-m) | 110~130 | ||||||
Hydraulic load (m²/hm) | 22~26/12~16 | ||||||
4. Work characteristics
■Stepless adjustment of the motor drive, the operating speed can be adjusted at any time, and the adaptability is strong;
■Special flushing nozzles and anti-clogging devices enable the filter belt to be flushed clean;
■The dehydration head roller adopts a T-shaped drain channel, so that the squeezed water can flow out quickly; the gravity dewatering section has an inclined design, and the static water head of the sludge is enlarged to enhance the
■Dehydration effect enables the sludge to be fully thickened before pressing:
■The whole machine has a compact structure, automatic correction of the filter belt, low operating noise, low power consumption, small amount of medicine, good dehydration effect, and low operating costs.
5. Appearance and installation dimensions diagram

content is empty!